Detector de unidade de 10 kHz de canal duplo PDA1000-2

Esta série de detectores possui basicamente o mesmo método de uso que os detectores unitários da Thorlabs e da Newport, e suas interfaces de alimentação são completamente idênticas. Quando a saída de monitor (disponível em alguns produtos da Thorlabs e da Newport) não for necessária e a largura de banda for a mesma, ela pode ser substituída diretamente, e seu desempenho em todos os aspectos não fica devendo nada ao de produtos similares da Thorlabs e da Newport. Além dos detectores com especificações predefinidas, também oferecemos serviços de personalização. Podemos ajustar diversos indicadores do detector (como tensão de alimentação, ganho, largura de banda, etc.) de acordo com as necessidades do cliente para atender às suas exigências.

  • Detalhes do produto

Fotoreceptor amplificado

Detector de unidade de 10 kHz de canal duplo PDA1000-2

Instruções de utilização

Descrição da aparência e da interface

A aparência do módulo é mostrada na figura abaixo:

Dual-Channel 10KHz Unit Detector

Figura 2-1 Diagrama de Aparência do Módulo Detector

Dentre elas, a interface da esquerda é a interface de entrada óptica (FC), a superior direita é a interface de entrada de energia (M8) e a inferior direita é a interface de saída de sinal (SMA).

O cabo de alimentação personalizado correspondente é mostrado na figura abaixo:

Dual-Channel 10KHz Unit Detector

Figura 2-2 Cabo de alimentação compatível

Na imagem, a extremidade esquerda é a de conexão com o módulo detector, que possui uma etiqueta indicando o método de conexão dos três cabos de alimentação à direita. O cabo é feito de PVC, com corrente máxima de 3A e bitola de 24AWG. Sua pinagem é totalmente compatível com a dos cabos de alimentação dos módulos detectores da Thorlabs e da Newport, sendo intercambiável.

Instruções Elétricas

1. Produtos com alimentação dupla: ±12V (marrom-vermelho: +12V, fio preto: GND, fio azul: -12V). Para produtos com largura de banda de 300MHz ou inferior, a tensão mínima de alimentação pode ser de ±8V e a máxima não deve exceder ±15V (em caso de inconsistência entre a etiqueta do detector e esta instrução, esta instrução prevalecerá). Para produtos com largura de banda superior a 1GHz, a tensão de alimentação não deve exceder ±12V. Além disso, o módulo de alimentação chaveada Honghai JMD10-D12 pode ser adquirido como módulo de alimentação para testes. Este módulo garante o desempenho do detector em ambientes internos; para uso externo, recomenda-se avaliação por conta própria. A corrente do módulo detector durante a operação normal é inferior a 100mA. Usuários de laboratório podem experimentar nossa fonte de alimentação linear.

Produtos com alimentação única: 5V-12V (marrom-vermelho: +12V, fio preto: GND, fio azul: flutuante). A corrente do módulo detector durante a operação normal é inferior a 100mA.

2. Interface de saída: SMA (conector fêmea);

3. Impedância de saída: 50 ohms;

4. Tensão máxima de saída:

Produtos abaixo de 500MHz: ±3,6V (@High Z), ±1,8V (@50ohm);

Produtos com 1 GHz (inclusive) e acima: ±1 V (@50 ohm).

5. Faixa de resposta espectral: 900nm-1700nm;

6. Responsividade do detector: >0,95A/W@1550nm;

7. A amplitude da entrada óptica não deve exceder a potência óptica de saturação (Potência de Saturação).

Parâmetros de desempenho

Instruções para o teste de desempenho:

1. Devido às diferentes condições do conector FC da fonte de luz de teste, a perda de inserção de cada detector é inconsistente e os resultados dos testes de resposta do detector serão ligeiramente diferentes;

2. O ganho de transimpedância do detector é calculado quando a carga de saída apresenta alta impedância. Se a carga de saída for de 50 Ω, o ganho será reduzido à metade do valor nominal;

3. Os resultados das medições de ruído do detector e tempo de subida são obtidos nas seguintes condições:

a: A impedância de entrada do osciloscópio é de 50 Ω;

b: A largura de banda do osciloscópio é a largura de banda total (≥1GHz);

c: A divisão de tempo do osciloscópio está configurada para 100ns/div (Observação: o ruído varia bastante com diferentes divisões de tempo);

4. Temperatura da sala de testes: 23℃±5℃;

5. Umidade relativa do teste: 35%±15%;

6. Tensão de teste de trabalho: ±12V;

Parâmetros típicos de teste do detector de unidade (PDA1055H)

Modelo PDA1000-2
Faixa de comprimento de onda 900-1700nm
Largura de banda de 3 dB 10 kHz
Ganho de conversão 2,5x10 6 V/A
Ruído geral da tensão de saída 1,3 mVRMS
Potência de saturação 4,8uW
Responsividade máxima típica 1A/W a 1550nm
Impedância de saída 50Ω
Maximize a produção 1,0V a 50Ω
Potência incidente (máxima) 5mW
Material/Tipo do detector InGaAs/PIN
Diâmetro do detector 75 μm
Entrada óptica FC/PC ou FC/APC ou Espaço Livre
Saída elétrica SMA
Dimensões da embalagem 60 mm × 58 mm × 24 mm
Requisitos da fonte de alimentação ±12 V, 50 mA

Figura 3-1 Resumo do desempenho elétrico

Time-domain Noise Level (Blue and red lines are the noise of the two channels respectively)

Figura 3-2 Nível de ruído no domínio do tempo (As linhas azul e vermelha representam o ruído dos dois canais, respectivamente)

Input Optical Pulse Response

Figura 3-3 Resposta do pulso óptico de entrada

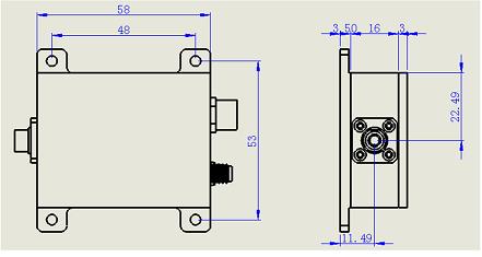
Dimensões Mecânicas

Mechanical Dimension Diagram of Unit Detector Module

Figura 4-1 Diagrama dimensional mecânico do módulo detector unitário

Unidade: mm

Quer saber mais sobre este produto?

ENVIAR UM Mensagem
Deixe um recado

Se Você está interessado em nossos produtos e quer saber mais detalhes, por favor, deixe uma mensagem aqui, vamos responder você assim que nós puder.

Produtos relacionados
Mechanical Fiber Optical Switch 1X8 400-2500nm 600um Interruptor Óptico Mecânico fibra de 0,5m, conectores SMA905
Características Baixa perda e alta confiabilidade Interface serial (RS-232) Design Modularizado Livre de epóxi no caminho óptico Formulários Rede de anel Monitoramento Remoto em Rede Óptica Teste de componente de fibra óptica
MEMS Fiber Optical Switch 1xn MEMS Optical Switch
recursos Durabilidade e confiabilidade comprovadas em MEMS Fácio compacto Tempo de comutação rápidaQualificado para Telcordia Gr-1073-core e rohs formulários Opticalsignal comutação androuting Proteção e restauração de rede ópticaMonitoramento de caminho óptico (Workingwith OTDR OU OCM) Partilha de recursos de instrumentação.
100G QSFP28 LR4 100G QSFP28 LR4 1310nm 10km LC Transceptor Óptico
Módulo transceptor óptico 100G QSFP28 LR4, suporta transmissão de 100Gb/s e até 10 km em fibra SM, funciona em soluções de conexão IDC de alta velocidade e assim por diante. Características 4 pistas MUX/DEMUX design LAN WDM TOSA / ROSA integrada para alcance de até 10 km sobre SMF Suporte 100GBASE-ER4 para taxa de linha de 103,125 Gbps e OTU4 para taxa de linha de 111,81 Gbps Largura de banda agregada de >100 Gbps Conectores LC duplex Compatível com IEEE 802.3-2012 Cláusula 88 padrão IEEE 802.3bm CAUI-4 chip para módulo elétrico padrão ITU-T G.959.1-2012-02 padrão· Fonte de alimentação única de +3,3V operando Funções de diagnóstico digital integradas Faixa de temperatura 0°C a 70°C Peça compatível com RoHS Suporte FEC (correção de erro de encaminhamento)
 FPV Fiber Optic Spool Carretel de fibra óptica FPV
Sinais de vídeo analógicos e sinais de controle podem ser convertidos em sinais de fibra óptica de ultralonga distância, permitindo transmissão de longo alcance sem latência e evitando que sinais sem fio sofram interferência em faixas específicas. Quando usado com um carretel de fibra óptica personalizado, ele pode garantir que o drone voe 3/5/10/15/20/25/30 quilômetros sem interferência.
10G SFF Transceiver Transceptor 10G DWDM SFF 40km -40℃ a 85℃
Características Laser EML de 1550 nm ou DWDM com TEC, disponível em todos os comprimentos de onda da banda C em 50 GHz PIN- TIARreceptor Conector LC duplex ou fibra pigtail personalizável Fonte de alimentação de canal único + 3,3 V O modo CDR off-line suporta taxa de bits de 155-9,95 GBIT/s, e o modo CDR suporta taxa de bits de 9,95-10,3125 GBIT/s CDR de Transmissão/Recepção Interna -40 ℃ a 85 ℃ Temperatura de trabalho da indústria Adequado para conexão SMF de 40 km Cumpra com SFF-8472 Rev 10.2 Inteiro Metal Shell e excelente desempenho de interferência eletromagnética Completamente em conformidade com o padrão RoHS
 10 Gigabit Uplink Gigabit Managed POE Switch FW5700-24GP-4TF Switch POE Gerenciado Gigabit Uplink 10 Gigabit FW5700-24GP-4TF
24 * 10/100/1000 Mbps RJ45 portas + 4 * 10 Gigabit SFP + portas FW5700-24GP-4TF é um switch inteligente gerenciado por rede de 24 portas. 24 portas adaptáveis ​​10/100/1000M e 4 portas 10 Gigabit SFP+ são fornecidas para fornecer largura de banda suficiente para convergência e troca de dados centrais. Os usuários podem selecionar portas 10 Gigabit apropriadas para atender com flexibilidade aos requisitos de rede. O produto adota uma nova geração de plataforma de hardware e software de alto desempenho, suporta protocolos de roteamento de três camadas, mecanismos completos de proteção de segurança, políticas ACL/QoS perfeitas e ricas funções VLAN, é fácil de gerenciar e manter, atende aos requisitos de rede dos usuários para equipamento de rede que é fácil de gerenciar, de alta segurança e baixo custo, e é adequado para campus, hotéis e acesso à rede de campus corporativo, convergência e cenários de aplicativos múltiplos centrais.
Dual Fiber 8CH CWDM MUX DEMUX Fibra Dupla 8CH 1270-1450nm (pular 1390/1410nm) CWDM MUX DEMUX Com Monitor e EXP, LC/UPC, Plug-in LGX Box
CWDM MUX DEMUX, multiplexação de até 8 canais em par de fibra Passivo, protocolo transparente para Ethernet, FC, OTN, SONET/SDH, etc. Totalmente compatível com todas as ópticas ITU-T 1G/10G/25G CWDM Aplicado a Metro, Redes CWDM Regionais
Single Fiber 4CH (8Waves) O-BAND DWDM MUX DEMUX Multiplexador/demultiplexador DWDM de banda O de fibra única com 4 canais (8 ondas), LC/UPC, rack 1U
O multiplexador/demultiplexador DWDM de banda O de fibra única com 4 canais (8 comprimentos de onda) foi projetado pela FIBERWDM. Trata-se de um dispositivo DWDM totalmente passivo, que suporta baixa perda de inserção (portas de comprimento de onda < 3,0 dB). Os comprimentos de onda são 1304,58/1305,72/1306,85/1308,00/1309,14/1310,28/1311,43/1312,58 nm, suportando transmissão de 4 canais em uma única fibra.
Deixe um recado
Deixe um recado
Se Você está interessado em nossos produtos e quer saber mais detalhes, por favor, deixe uma mensagem aqui, vamos responder você assim que nós puder.

Lar

Produtos

sobre

contato