100g 1310nm SOA amplificador óptico
O-band 1310nm 100g SOA Amplificador óptico pode amplificar o sinal óptico com comprimento de onda 1270 ~ 1330nm. O produto tem duas operações Modos: ACC e APC. As características do produto como potência de saída estável, baixa nf e baixo pdg. Isso Série SOA pode suportar amplificação óptica com taxa de data sob 160GB / s.
parâmetro
parâmetro | doença | min | Typ | max. | unidade |
Gama de comprimento de onda | 40ge | 1260 | 1340 | nm. | |
Gama de comprimento de onda | 100GE | 1290 | 1320 | nm. | |
Potência total de entrada | -20 | -10 | DBM | ||
Potência de saída de saturação | 10. | DBM | |||
ganho | 14. | db | |||
ganhar ondulação | 7.5 | db | |||
Figura de ruído | 2. | db | |||
PDG | -5 | 50. | ℃ | ||
Temperatura de operação | 5. | 95. | % | ||
umidade operacional | -40 | 85. | ℃ | ||
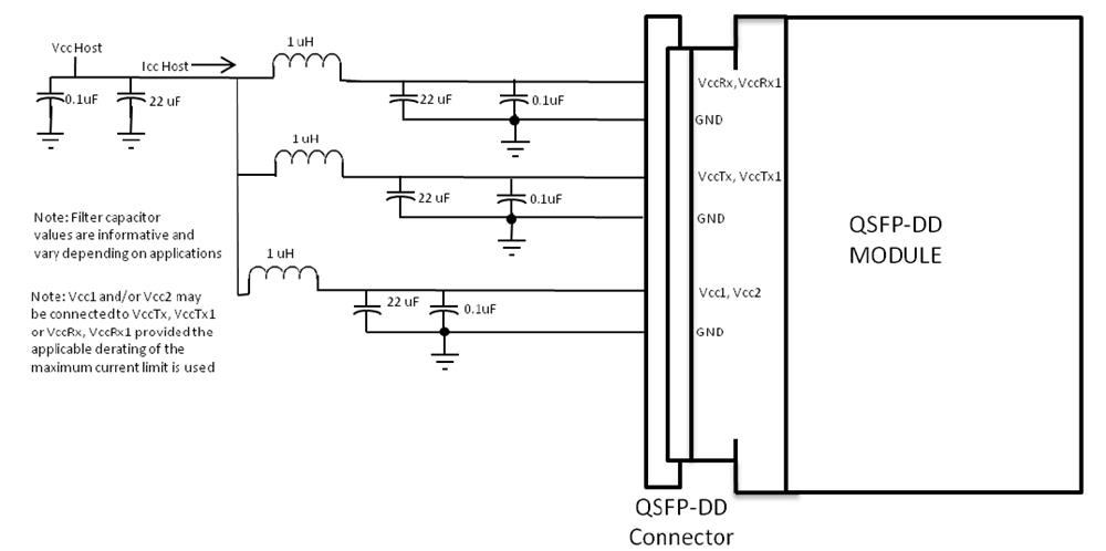
temperatura de armazenamento | 220VAC, -48VDC. | V. | |||
consumo de energia | 1 SOA | 10. | C | ||
2 SOA | 20. | C | |||
4 SOA | 40. | C | |||
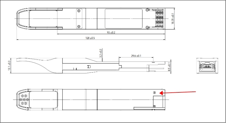
dimensão | 1u 19 '' 482.6x245x43.6 | milímetros | |||
conector | pode ser custermerizado | ||||
informações de pedidos
parte não. | modelo |
Rd-SOA-A1-1310-10 / GXX | SOA 1 em 1 out |
Rd-SOA-A2-1310-10 / GXX | SOA 2 em 2 fora |
Rd-SOA-A4-1310-10 / GXX | SOA 4 em 4 fora |
aplicativo
Caso 1: 100g Transmissão de link óptico de longa distância

A distância de transmissão do tradicional 100gbese-lr4 Link óptico é limitado a 10km. na transmissão de fibras ópticas de longa distância ou alta perda, SOA O amplificador óptico pode ser configurado para amplificar o fraco sinal de energia óptica no lado receptor para atender aos requisitos de recepção do equipamento
Caso 2: Dados Amplificação de aquisição de links.

Na aplicação da aquisição de link de dados, o sinal óptico de 100g link de replicação deve geralmente passam por um secundário divisão. O SOA O amplificador óptico pode ser configurado para amplificar o sinal óptico do link de replicação antes da divisão secundária para garantir que o sinal óptico após a divisão secundária atenda aos requisitos de transmissão,
Tags relacionadas :
Quer saber mais sobre este produto?
Se Você está interessado em nossos produtos e quer saber mais detalhes, por favor, deixe uma mensagem aqui, vamos responder você assim que nós puder.