Transceptores PSM4 QSFP28 de 100G e 10 km

Transceptores PSM4 QSFP28 de 100G e 10 km

O transceptor óptico RQ-100G-PSM4 QSFP28 foi projetado para serviços com alcance de até 10 km e taxa de dados de 25,78125 Gbps em quatro canais. É alimentado por 3,3 V CC e opera na faixa de temperatura comercial. É compatível com os padrões QSFP MSA, SFF-8436, SFF-8636 e PSM4 MSA. As funções de diagnóstico digital estão disponíveis via interface I2C, e as funções de controle podem ser realizadas por meio de interfaces LVTTL no host, incluindo principalmente Seleção de Módulo (ModSelL), Reinicialização de Módulo (ResetL) e Modo de Baixo Consumo (LPMode). O transceptor incorpora um conjunto de quatro lasers (geralmente DFB), um conjunto de diodos de quatro pinos, um circuito integrado CDR de alto desempenho com quatro drivers e um circuito integrado TIA. As interfaces de dados de transmissão e recepção (Tx e Rx) com acoplamento CA diferencial são compatíveis com CML.

  • Detalhes do produto

Transceptores PSM4 QSFP28 de 100G e 10 km

Aplicações

  • Ethernet 100G BASE
  • Interconexões Infiniband EDR
  • Redes empresariais

Características

  • Interface óptica MPO12
  • Comprimento máximo do link: até 10 km
  • Links de dados de até 25,78125 Gb/s por canal.
  • Fonte de alimentação de +3,3 V
  • Pacote compatível com QSFP MSA
  • Conexão a quente
  • Transmissor DML de modo único de alto desempenho
  • Receptor óptico PIN/TIA de alta sensibilidade
  • Operação em modo único
  • BER < 5E-5@-12,5dBm (OMA)
  • CDR integrado
  • Temperatura de operação da caixa: 0 a 70ºC
  • Interfaces de dados e controle
  • Dados de transmissão acoplados CML/AC
  • Dados de prescrição CML/AC acoplados
  • ModSell LVTTL
  • ResetL LVTTL
  • ModPrsL LVTTL
  • Modo LP LVTTL
  • Barramento de comunicação I2C de 2 fios
  • Conformidade com RoHS 6

parâmetros máximos absolutos

Classificações máximas absolutas (EXCEDER ESTAS CLASSIFICAÇÕES PODE CAUSAR DANOS IRREVERSÍVEIS AO DISPOSITIVO)

Parâmetro

Símbolo

Min

Máximo

Unidades

Notas

Temperatura de armazenamento

Tstg

-40

+95

ºC

Exceder os limites máximos absolutos pode causar danos irreversíveis ao dispositivo.

O dispositivo não foi projetado para ser operado sob condições de potência máxima absoluta simultânea, o que pode causar danos irreversíveis ao aparelho.

Temperatura de operação da caixa (comercial)

PARA

0 +70

ºC

Umidade Relativa - Armazenamento

Lado direito

0 95 %

Umidade Relativa - Operacional

RHO

0 85 %

Tensão de alimentação

VCC

-0,3 3.6 V

Condições de funcionamento

Condições de operação recomendadas

Parâmetro

Símbolo

Min

Tipo

Máximo

Unidades

Temperatura de operação da caixa

Caso T

0

+70

ºC

Tensão de alimentação CC

VCC

3,135

3,465

V

Corrente de alimentação do módulo

IIN

1000 mA

Características elétricas

Características elétricas do transmissor

Parâmetro

Símbolo

Min

Tipo

Máximo

Unidades

Entrada de dados diferencial Swing

VIN

180

900

mV

Impedância de entrada diferencial Tx

Zinco

90 100 110

Ω

Impedância de saída diferencial Tx

Zout

45 50 55

Ω

Redefinir Desativar tensão

Realidade Virtual

2.0

Vcc+0,3

V

ReinicializarL Habilitar Tensão

VrEN

0

0,8

V

Desativar voltagem do ModSell

Vm

2.0

Vcc+0,3

V

Tensão de ativação do ModSell

VmEN

0

0,8

V

Características elétricas do receptor

Parâmetro

Símbolo

Min

Tipo

Máximo

Unidades

Oscilação diferencial na saída de dados

VOUT

180 900

mV

Impedância de saída diferencial Rx

ZOUT

90 100 110

Ω

Tensão de ativação internacional

Vintage

VCC-0,5

VCC+0,3

V

Tensão de desativação internacional

VDInt

0

+0,4

V

Especificação óptica

Especificação óptica do transmissor

Parâmetro

Símbolo

Min

Tipo

Máximo

Unidades

Notas

Taxa de sinal | Cada faixa

25,78125±100ppm

Gbps

Comprimento de onda da faixa

L0

1295

1310

1325

nm

L1

1295

1310

1325

nm

L2

1295

1310

1325

nm

Nível 3

1295

1310

1325

nm

Taxa de supressão do modo lateral

SMSR

30

dB

Potência média total de lançamento

Ptol

8.0

dBm

Potência média de lançamento | Cada pista

Pavg

-9,4 2.0

dBm

Amplitude de Modulação Óptica | Cada Faixa

OMA

2.2

dBm

1

Penalidade de transmissão e dispersão | Cada faixa

TDP

2.9

dB

Coordenadas da máscara para os olhos:

X1, X2, X3, Y1, Y2, Y3

{0,31, 0,4, 0,45, 0,34, 0,38, 0,4}

2

Potência média de lançamento do transmissor DESLIGADO | Cada pista

-30

dBm

Taxa de extinção

Pronto-socorro

3,5

dB

Largura Espectral | 20dB

1

nm

Reflectância do transmissor

-12

dB

tolerância de perda de retorno óptico

20

dB

Observação:

  1. Mesmo que o TDP seja inferior a 1 dB, o OMA mínimo deve exceder o valor mínimo especificado aqui.
  2. Taxa de acerto de 5e-5, de acordo com o IEEE.

Especificação óptica do receptor

Parâmetro

Símbolo

Min

Tipo

Máximo

Unidades

Notas

Velocidade do sinal por faixa

25,78125±100ppm

Gbps

Comprimento de onda da faixa

L0

1295

1310

1325

nm

L1

1295

1310

1325

nm

L2

1295

1310

1325

nm

Nível 3

1295

1310

1325

nm

Limite de dano | Cada faixa

THd

3.0

dBm

1

Potência média recebida | Cada faixa

-12,66

2.0

dBm

Reflectância do receptor

-26

dB

Sensibilidade OMA|Cada faixa[1]

Sen

-12,5

dBm

2

Sensibilidade do receptor sob estresse

(OMA), cada faixa

-8,8

dBm

Declaração de LOS

LOSA

-15,5

Desativação do LOS

LOSD

-13,5

Histerese LOS

LOSH

0,5 3

Penalidade por Fechamento Vertical dos Olhos

VECP

1.9

dB

3

Olho estressado J2 Tremor

J2

0,27

interface do usuário

Olho estressado J4 Nervosismo

J4

0,39

interface do usuário

Observação:

1. O receptor deve ser capaz de tolerar, sem danos, a exposição contínua a um sinal de entrada óptico modulado com este nível de potência em uma das vias. O receptor não precisa operar corretamente com essa potência de entrada.

2. Medido com sinal de teste de conformidade na entrada do receptor para BER = 5e-5 BER.

3. A penalidade de fechamento ocular vertical e a instabilidade ocular sob estresse são condições de teste para medir a sensibilidade do receptor sob estresse. Elas não são características do receptor.

Diagnóstico digital

Interface de monitoramento

Parâmetro

Símbolo

Especificações

Unidades

Condição/Observações

Temperatura

Te

+/-3

°C

Tensão

VCC

+/-5%

V

IBias

VIÉS

+/-10%

mA

Potência Rx

Rx-pwr

+/-2

dBm

Potência de transmissão

Tx-pwr

+/-2

dBm

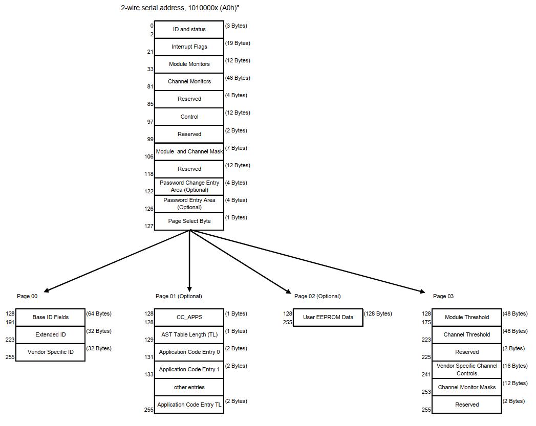
Mapa da Memória

100G QSFP28 10km PSM4 Transceivers

Atribuição de PIN

100G QSFP28 10km PSM4 Transceivers

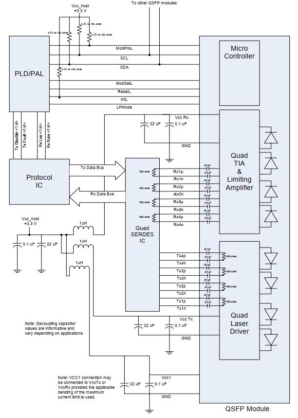
ModSell

O pino ModSelL é um pino de entrada. Quando mantido em nível baixo pelo host, o módulo responde a comandos de comunicação serial de 2 fios. O ModSelL permite o uso de múltiplos módulos QSFP em um único barramento de interface de 2 fios. Quando o ModSelL está em nível alto, o módulo não deve responder ou reconhecer qualquer comunicação de interface de 2 fios proveniente do host. O nó de entrada do sinal ModSelL deve ser polarizado para o estado "Alto" no módulo. Para evitar conflitos, o sistema host não deve tentar comunicações de interface de 2 fios durante o tempo de desativação do ModSelL após a deseleção de qualquer módulo QSFP. Da mesma forma, o host deve aguardar pelo menos o período do tempo de ativação do ModSelL antes de se comunicar com o módulo recém-selecionado. Os períodos de ativação e desativação de diferentes módulos podem se sobrepor, desde que os requisitos de temporização acima sejam atendidos.

Reiniciar

O pino ResetL deve ser conectado ao Vcc no módulo QSFP. Um nível baixo no pino ResetL por um período maior que a duração mínima do pulso (t_Reset_init) inicia uma reinicialização completa do módulo, retornando todas as configurações do usuário ao estado padrão. O Tempo de Asserção de Reinicialização do Módulo (t_init) inicia na borda de subida após a liberação do nível baixo no pino ResetL. Durante a execução de uma reinicialização (t_init), o host deve ignorar todos os bits de status até que o módulo indique a conclusão da interrupção de reinicialização. O módulo indica isso enviando um sinal IntL com o bit Data_Not_Ready negado. Observe que, na inicialização (incluindo inserção a quente), o módulo deve enviar essa interrupção de conclusão de reinicialização sem exigir uma reinicialização.

ModPrsL

O pino ModPrsL é conectado ao Vcc_Host na placa host e ao terra no módulo. O sinal ModPrsL é ativado ("Low") quando o módulo é inserido e desativado ("High") quando o módulo é fisicamente removido do conector host.

Internacional

O pino IntL é um pino de saída. Quando em nível baixo (Low), indica uma possível falha operacional do módulo ou um status crítico para o sistema host. O host identifica a origem da interrupção usando a interface serial de 2 fios. O pino IntL é uma saída de coletor aberto e deve ser conectado à tensão de alimentação do host na placa host.

Modo LP

O pino LPMode deve ser conectado ao Vcc no módulo QSFP. Essa função é afetada pelo pino LPMode e pela combinação dos bits de controle de software Power_override e Power_set (Endereço A0h, byte 93, bits 0 e 1). O módulo possui dois modos: um modo de baixo consumo e um modo de alto consumo. O modo de alto consumo opera em uma das quatro classes de potência. Quando o módulo está no modo de baixo consumo, ele tem um consumo máximo de energia de 1,5 W. Isso protege os hosts que não são capazes de resfriar módulos de maior potência, caso esses módulos sejam inseridos acidentalmente.


A interface serial de 2 fios do módulo e todas as funções de segurança do laser devem estar totalmente operacionais neste modo de baixo consumo de energia. O módulo deve continuar suportando a conclusão da interrupção de reset neste modo de baixo consumo. Se os bits do Identificador Estendido (página 00h, byte 129, bits 6-7) indicarem um consumo de energia superior a 1,5 W e o módulo estiver no modo de baixo consumo, ele deverá reduzir seu consumo de energia para menos de 1,5 W, mantendo a funcionalidade descrita acima. O método exato para atingir o baixo consumo não é especificado; no entanto, é provável que o transmissor (Tx) ou o receptor (Rx), ou ambos, não estejam operacionais neste estado. Se os bits do Identificador Estendido (página 00h, byte 129, bits 6-7) indicarem que seu consumo de energia é inferior a 1,5 W, o módulo deverá estar totalmente funcional, independentemente de estar no modo de baixo ou alto consumo.

O módulo deve estar em modo de baixo consumo se o pino LPMode estiver em nível alto, ou se o bit Power_override estiver em nível alto e o bit Power_set também estiver em nível alto. O módulo deve estar em modo de alto consumo se o pino LPMode estiver em nível baixo, ou se o bit Power_override estiver em nível alto e o bit Power_set estiver em nível baixo. Observe que o estado padrão do bit Power_override é baixo.

Interface elétrica

100G QSFP28 10km PSM4 Transceivers

Layout de PCB recomendado

100G QSFP28 optical module 100G QSFP28 optical module

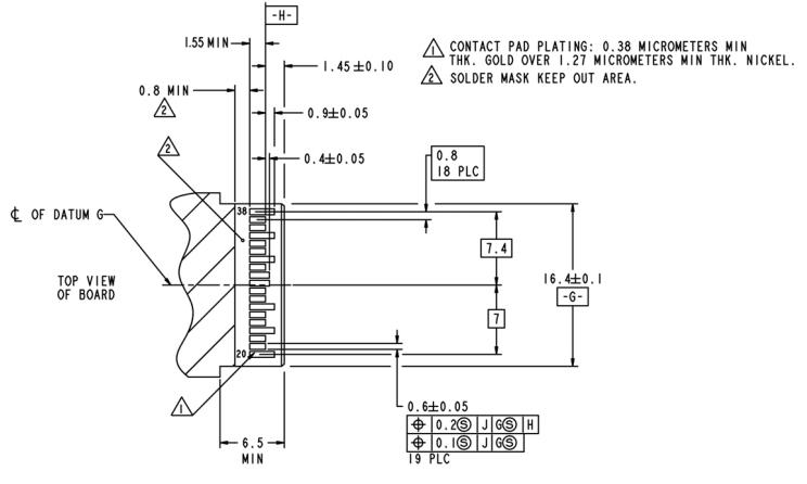
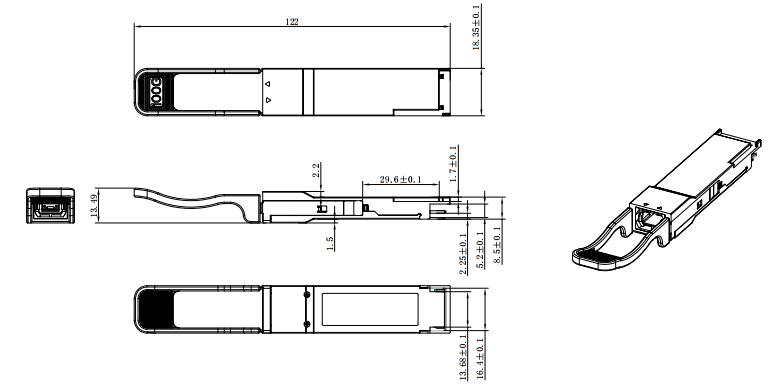
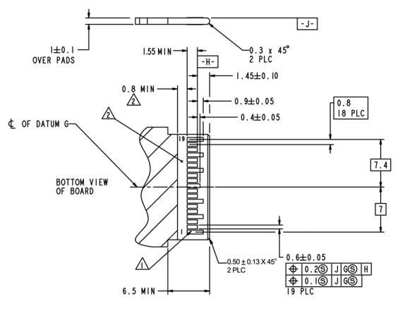
Dimensões Mecânicas

100G QSFP28 optical module

Notas:

1. Tolerância: +/-0,1 mm.

2. Outros de acordo com SFF-8661 ou especificação do cliente.

3. Porta óptica de acordo com a especificação do conector de fibra.

Avisos

Precauções de manuseio:

Este dispositivo é suscetível a danos causados por descarga eletrostática (ESD). Recomenda-se um ambiente livre de estática. Siga as orientações de acordo com os procedimentos adequados para ESD.

Segurança a laser:

A radiação emitida por dispositivos a laser pode ser perigosa para os olhos humanos. Evite a exposição dos olhos à radiação direta ou indireta.

Perceber:

As informações fornecidas nesta página contêm as especificações do produto, que estão sujeitas a alterações sem aviso prévio.

Consulte o escritório de vendas da Litecore para obter atualizações de produtos, alterações nas especificações, disponibilidade de amostras e datas de lançamento da produção.

Quer saber mais sobre este produto?

ENVIAR UM Mensagem
Deixe um recado

Se Você está interessado em nossos produtos e quer saber mais detalhes, por favor, deixe uma mensagem aqui, vamos responder você assim que nós puder.

Produtos relacionados
100G QSFP SR4 Transceptor óptico MPO 100G QSFP28 SR4 100m 850nm
Transceptor óptico MPO 100G QSFP28 SR4 100m 850nm, suporta 100Gb/s e até 100m de transmissão em fibra MM, funciona em soluções de conexão IDC de alta velocidade e assim por diante. Características Compatível com IEEE Std 802.3bm Compatível com SFF-8665 Taxa de transmissão de dados de até 25,78125 GbpsTaxa de dados por canal Tecnologia VCSEL de 850nm de alta confiabilidade Conectável eletricamente a quente Fonte de alimentação única de +3 .3V Faixa de temperatura da caixa: 0 ~ +70 ℃ Consumo máximo de energia 2,5 W Conector MPO12 único Reclamação RoHS
100G QSFP28 CWDM4 Transceptor óptico 100G QSFP28 CWDM4 10km LC
Módulo transceptor óptico 100G QSFP28 CWDM4, suporta 100Gb/s e transmissão de até 10 km em fibra monomodo (SM), funciona em soluções de conexão IDC de alta velocidade, e assim por diante.
100G QSFP28 LR4 100G QSFP28 LR4 1310nm 10km LC Transceptor Óptico
Módulo transceptor óptico 100G QSFP28 LR4, suporta transmissão de 100Gb/s e até 10 km em fibra SM, funciona em soluções de conexão IDC de alta velocidade e assim por diante. Características 4 pistas MUX/DEMUX design LAN WDM TOSA / ROSA integrada para alcance de até 10 km sobre SMF Suporte 100GBASE-ER4 para taxa de linha de 103,125 Gbps e OTU4 para taxa de linha de 111,81 Gbps Largura de banda agregada de >100 Gbps Conectores LC duplex Compatível com IEEE 802.3-2012 Cláusula 88 padrão IEEE 802.3bm CAUI-4 chip para módulo elétrico padrão ITU-T G.959.1-2012-02 padrão· Fonte de alimentação única de +3,3V operando Funções de diagnóstico digital integradas Faixa de temperatura 0°C a 70°C Peça compatível com RoHS Suporte FEC (correção de erro de encaminhamento)
100G QSFP28 ER4 100G QSFP28 ER4 40Km 1310nm LC Transceptor Óptico
Módulo transceptor óptico 100G QSFP28 ER4, suporta transmissão de 100Gb/s e até 40 km em fibra SM, funciona em soluções de conexão IDC de alta velocidade e assim por diante. Características: 4 pistas MUX/DEMUX design Suporte 100GBASE-ER4 para taxa de linha de 103,125 Gbps. LAN WDM TOSA / ROSA integrada para alcance de até 40 km sobre SMF. Largura de banda agregada de >100 Gbps Conectores LC duplex Compatível com IEEE 802.3-2012 Cláusula 88 padrão IEEE 802.3bm CAUI-4 chip para módulo elétrico padrão ITU-T G.959.1-2012-02 padrão· Fonte de alimentação única de +3,3V operando Funções de diagnóstico digital integradas Faixa de temperatura 0°C a 70°C Peça compatível com RoHS Suporte FEC (correção de erro de encaminhamento)
100G QSFP28 ZR4 100Gb QSFP28 ZR4 80Km 1310nm LC Transceptor Óptico
Módulo transceptor óptico 100G QSFP28 ZR4, suporta 100Gb/s e até 80 km de transmissão em fibra SM, funciona em soluções de conexão IDC de alta velocidade e assim por diante. Características 4 pistas MUX/DEMUX design Suporte 100GBASE-ZR4 para taxa de linha de 103,125 Gbps e OTU4 para taxa de linha de 111,81 GbpsLANWDM EML laser e receptor PIN com SOA Largura de banda agregada de >100 Gbps Conectores LC duplex Compatível com IEEE 802.3-2012 Cláusula 88 padrão IEEE 802.3bm CAUI-4 chip para módulo elétrico padrão ITU-T G.959.1-2012-02 padrão· Fonte de alimentação única de +3,3V operando Funções de diagnóstico digital integradas Faixa de temperatura 0°C a 70°C Peça compatível com RoHS Suporte FEC (correção de erro de encaminhamento)
100G LR1 10km SFP-DD Transceptor Óptico SFP-DD 100G LR1 10km
O transceptor óptico SFP56-DD 100G LR1 foi projetado para uso em links Ethernet de 100 Gigabits com alcance de até 10 km em fibra monomodo (SMF). Ele é compatível com as especificações SFP56-DD MSA, IEEE802.3CU, 100G Lambda 100G LR1 e 100GAUI-2 (sem FEC)¹. Funções de diagnóstico digital estão disponíveis através da interface I2C, conforme especificado pela especificação SFP56-DD MSA. O módulo incorpora um sinal óptico de um canal, com comprimento de onda central de 1311 nm, operando a uma taxa de dados de 100 Gbps. Este módulo pode converter dois canais de dados de entrada elétrica de 53 Gbps (PAM4) em um canal de sinal óptico de 106 Gbps (PAM4), e também pode converter um canal de sinal óptico de 106 Gbps (PAM4) em dois canais de dados de saída elétrica de 53 Gbps (PAM). A interface óptica utiliza um conector LC duplex. O transmissor EML refrigerado de alto desempenho e o receptor PIN de alta sensibilidade proporcionam desempenho superior para aplicações Ethernet de 100 Gigabit em enlaces de até 10 km.
100G QSFP28 DWDM Transceptor PAM4 com conector CS duplo 100G DWDM QSFP28
Módulo transceptor óptico 100G QSFP28 DWDM, suporta sistema DWDM de 48*100gb/s e transmissão de até 80 km em fibra SM, funciona em soluções de conexão IDC de alta velocidade.
100G QSFP28 Bidi optical transceiver 100GBASE-SR QSFP28 bidirecional 850/900nm 100m DOM LC MMF módulo transceptor óptico
O módulo de transceptor óptico BIDI 100G QSFP28 é um transceptor óptico conectável com uma interface de conector LC duplex para comunicação de dados de curto alcance e aplicações de interconexão usando fibra multimodo (MMF). que oferece aos clientes uma solução atraente que permite a reutilização de seus 10 infraestrutura MMF duplex gb para migração para conectividade Ethernet de 100 gigabits.
Deixe um recado
Deixe um recado
Se Você está interessado em nossos produtos e quer saber mais detalhes, por favor, deixe uma mensagem aqui, vamos responder você assim que nós puder.

Lar

Produtos

sobre

contato