Transceptor 400G QSFP112 SR4 LPO

Transceptor 400G QSFP112 SR4 LPO

CARACTERÍSTICAS:

  • Transceptor multimodo QSFP112 SR4 hot-pluggable
  • Em conformidade com QSFP112 MSA
  • Em conformidade com CMIS Rev 4.0 e revisões superiores
  • Matriz VCSEL de 850 nm integrada e matriz PD sem DSP ou CDR
  • 4 canais de modulação elétrica e óptica 100G-PAM4
  • Tomadas MPO-12 APC simples  Consumo máximo de energia 2,8 W
  • Fonte de alimentação única de 3,3 V
  • Temperatura de operação do gabinete de 0°C a 70°C
  • Laser Classe 1  Reclamação RoHS
  • Detalhes do produto

Transceptor 400G QSFP112 SR4 LPO

Classificações máximas absolutas

Parâmetro

Símbolo

Mínimo

Máx.

Unidade

Temperatura de armazenamento

TS

-40

85

ºC

Tensão de alimentação

VCC

-0,4

3.6 V

Umidade relativa (sem condensação)

RH

5

85

%

Condições operacionais recomendadas

Parâmetro

Símbolo

Mín.

Típico

Máx.

Unidade

Notas

Temperatura da caixa de operação

TOPR

0

70 °C

Tensão de alimentação

VCC

3.135

3.3

3.465

V

Dissipação Máxima de Potência (400G)

DP

2.8 C

Taxa de sinalização por faixa

SRL

53.125

GBd

PAM4

Especificações ópticas do transmissor

Parâmetro

Símbolo

Mín.

Típico

Máx.

Unidade

Comprimento de onda

λC

844 850

863

nm

Largura espectral RMS

∆λrms

0,6

nm

Potência média de lançamento, cada pista

AOPL

-1,0

3.0

dBm

Potência média de lançamento do transmissor OFF, cada faixa

TOFF

-30

dBm

Taxa de extinção, cada faixa

Pronto-Socorro

3

dB

Tolerância de perda de retorno óptico

ORL

14

dB

Reflectância do transmissor

TR

-26

dB

Especificações ópticas do receptor

Parâmetro

Símbolo

Mín.

Típico

Máx.

Unidade

Comprimento de onda

λC

842

850 863

nm

Limiar de dano, potência óptica média, cada faixa

AOPD

5

dBm

Potência média de recepção, cada faixa

AOPR

-6,3

4.0

dBm

Receber energia (OMAouter), cada faixa

OMAR

3,5

dBm

Reflectância do receptor

RR

-20

dB

Definições de pinos

400G LPO Transceiver

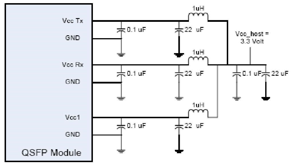
Figura 1 – Layout do bloco do módulo

400G LPO Transceiver 400G LPO Transceiver

Notas:

1. GND é o símbolo para sinal e alimentação (energia) comuns para o módulo QSFP56. Todos são comuns dentro do módulo QSFP56 e todas as tensões do módulo são referenciadas a esse potencial, salvo indicação em contrário. Conecte-os diretamente ao plano de aterramento comum de sinal da placa host.

2. Vcc Rx, Vcc1 e Vcc Tx são as fontes de alimentação do receptor e do transmissor e devem ser aplicadas simultaneamente. A filtragem recomendada da fonte de alimentação da placa host é mostrada nas figuras abaixo. Vcc Rx, Vcc1 e Vcc Tx podem ser conectados internamente ao Módulo QSFP56 em qualquer combinação. Os pinos do conector são classificados para uma corrente máxima de 500 mA.

400G QSFP112 SR4 LPO Transceiver

Figura 2. Filtro de alimentação recomendado

Interface Óptica e Dimensões Mecânicas

400G QSFP112 SR4 LPO Transceiver

Figura 3 – Receptáculo óptico e orientação do canal para conector MPO

400G QSFP112 SR4 LPO Transceiver

Figura 4 – Dimensões Mecânicas.

Informações sobre pedidos

Número da peça

Descrição

QS112-400G-LPO-SR4

400 Gb/s, QSFP112, MPO-12APC, MMF de 850 nm, SR4, LPO

Quer saber mais sobre este produto?

ENVIAR UM Mensagem
Deixe um recado

Se Você está interessado em nossos produtos e quer saber mais detalhes, por favor, deixe uma mensagem aqui, vamos responder você assim que nós puder.

Produtos relacionados
400G QSFP28 DR4 400g QSFP-DD DR4 Pam4 1310nm 500m MPO Optical Transceptor
400g QSFP-DD DR4 Optical Transceptor Módulo, Suporte 400GB / S e até 500m Transmissão na fibra de SM, funciona em alta velocidade IDC Conexão Soluções.
400G QSFP28 SR8 Transceptor óptico 400G QSFP-DD SR8 850nm MPO 100M
Módulo transceptor óptico 400G QSFP-DD SR8, suporta 400gb/s e até 100m de transmissão em fibra MM, funciona em soluções de conexão IDC de alta velocidade.
400G QSFP28 SR8 Transceptor óptico 400G QSFP-DD LR4 10KM
Módulo transceptor óptico 400G QSFP-DD LR4, suporta 400Gb/s e até 10Km de transmissão em fibra SM, funciona em soluções de conexão IDC de alta velocidade. Características Compatível com QSFP-DD MSA Compatível com 100G Lambda MSA 400G-LR4 Especificação compatível Compatível com CMIS5.0 Compatível com IEEE Std 802.3bs Interface elétrica de 8x53,125 Gb/s (400GAUI-8) Laser EML resfriado com comprimento de onda CWDM Até 10 km de transmissão em fibra monomodo (SMF) com FEC Fonte de alimentação única de +3,3 V Faixa de temperatura da caixa: 0 ~ +70 ℃ Consumo máximo de energia 12W Conector LC duplex Reclamação RoHS Formulários Ethernet 400G BASE-LR4 Data Center Interconnect Rede empresarial
400G CFP2 Optical Transceiver Module Módulo transceptor óptico 400G CFP2 DCO
Módulo transceptor óptico 400G CFP2 Usado na placa-mãe do sistema Até 2.000 km no aplicativo MAN DWDM
QSFP112 400G BASE-SR4 Transceiver Transceptor QSFP112 400G BASE-SR4 850nm 100m
O transceptor SR4 QSFP112 400G foi projetado para transmitir e receber links de dados ópticos seriais com taxas de dados de até 106,25 Gb/s (por canal) no formato de modulação PAM4 por fibra multimodo. É um módulo transceptor hot pluggable de pequeno formato com taxa de extinção óptica de 2,5 dB e vcsel de alto desempenho. É compatível com as especificações Ethernet 400G e MSA QSFP112.
OSFP 400G SR4 transceptor ótico IB de 400G OSFP SR4 milímetro MPO12
Características Interface óptica serial OSFP Interface elétrica 4x100G PAM4 reprogramada 400GAUI-4 Cabo óptico ativo Matrizes VCSEL de 4 canais e matrizes de detectores de foto PIN de 4 canais Comprimento máximo do link de 60m no OM3 ou 100m no OM4 Compatível com OSFP MSA Fator de forma OSFP conectável a quente Compatível com a especificação do módulo OSFP Rev 5.0 Compatível com CMIS 5.2 Protocolo de suporte Compatível com IEEE 802.3db Compatível com IEEE 802.3ck Baixo consumo de energia Menos de 8 W na faixa de temperatura de 0 a 70 ℃ Formulários Ethernet 400GBASE-SR4 400G Centro de dados
OSFP 400G DR4 transceptor ótico IB da manutenção programada MPO12 de 400G OSFP DR4
Características Fator de forma: fator de forma OSFP hot-pluggable  Taxa de dados: taxa de dados agregada de 425 Gb/s e taxa de dados Breakout de 106,25 Gb/s  Interface óptica: compatível com 400GBASE-DR4 e 4x100GBASE-DR Transmissor: transmissor EML 1310nm  Interface elétrica: compatível com 400GAUI-4 e 4x100GAUI-1 Receptor: PIN e matriz TIA no lado do receptor Interface de gerenciamento: interface de gerenciamento I2C Alcance: Até 500 m em fibra monomodo MPO-12/APC  Consumo de energia: 9 W máx.  Temperatura da caixa operacional: 0 ~ 70 ℃ Fonte de alimentação: Fonte de alimentação única de 3,3 V Conformidade Fator de forma: OSFP MSA Óptico: IEEE802.3bs Elétrico: IEEE802.3ck Firmware: CMIS Meio Ambiente: RoHS Estabilidade: GR-468-CORE Formulários Ethernet de 400 Gb/s Centro de dados  Banda Infini
400G QSFP-DD FR4 Transceptor óptico de 400G QSFP-DD FR4 2KM
Formulários Ethernet 400G BASE-FR4 Interconexão de data center Interconexão InfiniBand Rede Empresarial Características Compatível com QSFP-DD MSA Design MUX/DEMUX de 4 pistas CWDM Compatível com especificação 100G Lambda MSA 400G-FR4 Consumo máximo de energia 10W
Deixe um recado
Deixe um recado
Se Você está interessado em nossos produtos e quer saber mais detalhes, por favor, deixe uma mensagem aqui, vamos responder você assim que nós puder.

Lar

Produtos

sobre

contato