China 200G 400G DCI supplier

Fotodetector InGaAs de alta velocidade 40G

O módulo detector de alta velocidade HSPD4040 foi projetado para aplicações digitais e analógicas. O módulo contém um fotodiodo PIN de InGaAs cujo comprimento de onda de resposta abrange 1250 a 1650 nm e os componentes eletrônicos necessários para sua correspondência.

O HSPD4040 pode fornecer largura de banda de até 40 GHz. O módulo opera em +5 V. Ele atende a uma entrada de fibra óptica monomodo padrão de 9/125 μm. A porta de saída de RF é um conector de 2,92 mm com impedância de 50 ohms. O HSPD4040 é hermeticamente selado e pesa menos de 20 gramas. Possui certificação ROHS 2.0.

  • Detalhes do produto

Fotodetector InGaAs de alta velocidade 40G

Características

  • Ampla largura de banda
  • Viés-T incorporado
  • DC acoplado
  • Conector hermeticamente selado, 2,92

Aplicações

  • Comunicação de fibra óptica de alta velocidade
  • Processamento de informações de radar
  • Guerra Eletrônica
  • Teste e medição de sinal de alta velocidade
  • Fotônica de micro-ondas

Seleção de produtos

Classificação máxima típica e absoluta

Parâmetro

Sim.

Tipo

Avaliação

Unidade

Faixa de temperatura de armazenamento

TSTG

-45 ~ +85

-55 ~ +85

°C

Faixa de temperatura da caixa operacional

TC

25

-40 ~ +85

°C

Tensão de polarização

RV

5

5 ~ 6

V

Potência de entrada óptica

Alfinete

+3

+10

mW

Potência óptica queimada

PB

- +15

mW

Temperatura de soldagem de chumbo

Tp

280 (10s)

330 (10s)

°C

Especificação Óptica e Elétrica

Parâmetro

Símbolo

Mínimo

Tipo

Máx.

Unidades

Observação

Espectro de resposta

λ

1000

1650

nm

Largura de banda de sinal pequeno

-3 dB

35

40

GHz

Potência óptica máxima de entrada

PM

13

mW

2,3

Responsividade

R

0,75

0,85

A/W

1

Planicidade de amplitude

UM

±2

dB

Tensão de polarização para PD

Vpd

5 6

V

3

ROE de saída

ROE

2,5 3

Potência de saída de RF de saturação

Fazer beicinho

-10

dBm

Corrente escura

Eu ia

1 40

n / D

Impedância de saída

Vida real

50

Ω

Observação

1. λ=1310 nm, 1550 nm

2. 2. Desvio normal de 25° C

3. A exposição a classificações máximas absolutas pode afetar negativamente a confiabilidade do dispositivo ou causar danos permanentes.

Curvas de resposta típicas

40G High Speed InGaAs Photodetector

Fig.1 Resposta de frequência do fotodetector 40G

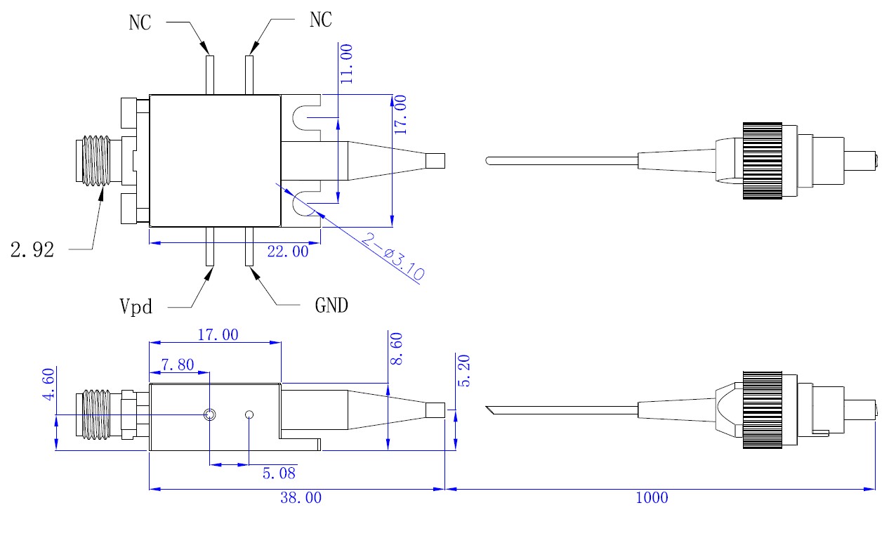
Dimensão e Pinos (Unidade: mm)

40G High Speed InGaAs Photodetector

Informações sobre pedidos

Número da peça

Observação

HSPD4040

Receptor PD de 40 GHz com conector de fibra SM FC/APC

Precauções

O raio de curvatura da fibra não é menor que 20 mm para evitar danos à fibra.

Certifique-se de que a face de acoplamento da fibra esteja limpa antes de conectá-la ao circuito óptico.

A proteção ESD adequada é necessária no armazenamento, transporte e uso.

Quer saber mais sobre este produto?

ENVIAR UM Mensagem
Deixe um recado

Se Você está interessado em nossos produtos e quer saber mais detalhes, por favor, deixe uma mensagem aqui, vamos responder você assim que nós puder.

Produtos relacionados
High-Speed Detectors Detectores de alta velocidade HSPD4018 e HSPD4040
Para atender à demanda dos clientes nacionais por produtos fotodetectores (PD) de alta velocidade totalmente localizados, a Fiberwdm desenvolveu dois produtos de PD de alta velocidade com larguras de banda superiores a 18 GHz e 40 GHz após quase 2 anos de P&D e otimização. O PD de 18 GHz tem um tempo de subida inferior a 20 ps, e o PD de 40 GHz tem um tempo de subida inferior a 8,5 ps. Sua responsividade não é inferior à de produtos similares importados da Finisar, Thorlabs, etc., e a oscilação da cauda também é bem controlada. Esta série de detectores de alta velocidade não inclui um Amplificador de Transimpedância (TIA) e apresenta ruído extremamente baixo. Pode ser usada para testar sistemas de comunicação de alta velocidade e sistemas de laser de femtossegundo, além de ser um produto totalmente localizado e econômico. A fonte de alimentação linear desenvolvida independentemente pela Fiberwdm pode atender totalmente aos requisitos de detectores de alta velocidade em aplicações de pesquisa científica.
 High-speed detector with amplification Detector de alta velocidade com amplificação
Para atender à demanda de clientes nacionais pela localização completa de detectores de alta velocidade com amplificação, a Fiberwdm lançou um produto com largura de banda superior a 20 GHz. Esta série de detectores de alta velocidade possui amplificação integrada e apresenta baixíssimo ruído. Pode ser utilizada em sistemas de comunicação de alta velocidade e em testes de sistemas de laser de femtossegundo, tornando-se um produto econômico e totalmente localizado. A Fiberwdm desenvolveu de forma independente uma fonte de alimentação linear que atende plenamente às necessidades de detectores de alta velocidade em aplicações de pesquisa científica.
1480 1550 PM Filter Filtro de Manutenção de Polarização 1480/1550nm WDM
Baixa perda de inserção Alta Taxa de Extinção Alto isolamento de canal Alta estabilidade e confiabilidade
China Super C-band 60CH+MON 100GHz DWDM MUX DEMUX 1U Rack LC/UPC Super Banda C 60CH+MON 100GHz DWDM MUX DEMUX 1U Rack LC/UPC
Banda Super C 60 canais+MON 100GHz DWDM MUX/DEMUX 1U LC/UPC Este DWDM Mux Demux de 60 canais tem espaçamento de canal de 100 GHz e executa multiplexação ou demultiplexação de 60 canais nos comprimentos de onda ITU na banda Super C, expandindo bastante o espectro de trabalho efetivo em comparação com a banda C tradicional e a banda C estendida. Ele oferece uma combinação de baixa perda de inserção óptica e alto isolamento de canal, juntamente com confiabilidade de longo prazo informação do produto 60 canais Super C-band 100GHz com porta de monitor, LC/UPC, fibra dupla DWDM Mux Demux, montagem em rack 1U Configuração Aplicação do produto Especificações ópticas Parâmetro _ Especificação Unidades Notas Mínimo Tipo Máx. Espaçamento entre canais 100 Ghz Tecnologia AAWG (parte superior plana) Números do Canal 60 Canais Frequências de canal Grade da UIT THZ Faixa de frequência de canal disponível Chance 190,75 196.650 THZ 1524,50-1571,65 nm Até 190,7 196.600 THZ 1524.89-1572.06 Banda passante do canal -12,5 +12,5 Ghz -0,10 +0,10 nm Precisão do comprimento de onda central -0,05 +0,05 nm Perda de inserção@com 6 6.7 dB Comprimento de onda @Center Perda de inserção@mon 22 dB 1% Ondulação de banda passante 1,0 1,5 nm Largura de banda total Largura de banda @1,0dB 0,22 nm Largura de banda @3,0dB 0,42 nm Largura de banda @20dB 1,20 nm Uniformidade de perda de inserção na ITU 1,20 dB Perda Dependente de Polarização 0,5 dB Isolamento de canal adjacente 25 dB Isolamento de canal não adjacente 30 dB Conversa cruzada total 24 24 dB Diretividade 40 dB Perda de retorno com conectores 40 45 dB Dispersão cromática -20 +20 ps/nm PDL 0,5 dB PMD 1,0 obs: Manuseio de energia óptica da porta comum 24 dBm Peso líquido 3.5 KGS Dimensões (AxLxP) 44x481,8x230mm milímetros Condições de funcionamento Parâmetro _ Mínimo Máx. Unidades Temperatura -5 65 ℃ Umidade Sem Condensação 0 90 % UR Condições de armazenamento Parâmetro Mínimo Máx. Unidades Temperatura -40 85 ℃ Umidade Sem Condensação 0 90 % UR
Passive Network Optical Taps 24* OTAPs Rede Passiva Óptica Torneiras Rack LC/UPC 1U
Módulo de torneiras ópticas de até 24 * OTAPs, suporta cópia de tráfego de 24 linhas Baixa perda de inserção – minimize o impacto nos fluxos de dados Totalmente passivo – o monitoramento da infraestrutura não afeta a disponibilidade da rede Não modifica o tráfego – as ferramentas veem cópias reais dos pacotes da rede Não requer energia e não possui endereço IP, proporcionando segurança contra ataques remotos Econômico – evite despesas dispendiosas gerenciando portas SPAN  
100G QSFP28 to 2x 50G QSFP28 AOC cable 100G QSFP28 a 2x 50G QSFP28 AOC Transceptor
Características Módulos transceptores full-duplex de 4 canais Taxa de transmissão de dados de até 28 Gbps por canal Suporta taxa de dados 40GE e 56G FDR 4 canais 850nm VCSEL array Matriz de fotodetector PIN de 4 canais Circuitos CDR internos nos canais do receptor e do transmissor Suporta desvio de CDR Baixo consumo de energia: QSFP28- 100G < 2,5 W e QSFP28-50G <1,6 W Fator de forma QSFP Hot Pluggable Comprimento máximo do link de 70m em OM3 Multimode Fiber (MMF) e 100m em OM4 MMF Receptáculo de conector MPO único Funções de diagnóstico digital integradas Temperatura da caixa operacional 0°C a +70°C Tensão de alimentação de 3,3 V Compatível com RoHS 6 (sem chumbo) Formulários IEEE 802.3bm 100GBASE SR4 e 40GBASE SR4 InfiniBand FDR/EDR Canal de Fibra 32G
 Data Center Switch 48x100Ge DSFP ports and 8x400Ge QSFP-DD uplink ports DS610 Data Center Switch 48x100Ge portas DSFP e 8x400Ge QSFP-DD portas uplink DS610
características do produto 1.Desempenho  Portas: 48 x10/25GE, 8 x 40/100GE  Encaminhamento de velocidade de fio de 2/3 camadas  Porta 40G/100G: Suporta modo 4x10G/4x25G  2. Projeto de otimização do data center  Cada porta suporta uma fila de saída virtual  Fonte de alimentação hot swappable com design de redundância 1+1  4+1 módulos de ventilador de troca a quente projetados de forma redundante  Fácil de instalar  3. Controlador de alto desempenho  Módulos COM-e de arquitetura x86  Suporta 16 GB de memória DDR4 com ECC  Suporta unidades de estado sólido SSD de 256 GB, interface M.2 (barramento SATA)  Suporte para BMC, através do qual os periféricos podem ser monitorados e gerenciados  4. O sistema suporta as funções de monitoramento e gravação de vários eventos  Monitoramento de tensão, monitoramento de nível de placa de suporte  Monitoramento de temperatura  Reiniciar registro do motivo
 PM CWDM Components Componentes PM CWDM
Baixa perda de inserção Alta Taxa de Extinção Alto isolamento de canal Alta estabilidade e confiabilidade
Deixe um recado
Deixe um recado
Se Você está interessado em nossos produtos e quer saber mais detalhes, por favor, deixe uma mensagem aqui, vamos responder você assim que nós puder.

Lar

Produtos

sobre

contato